Bio-JET – Hydroprocessing technology for obtaining a sustainable aviation bio-component

Authors

Jan Wójcik (jan.wojcik@icso.lukasiewicz.gov.pl), Marek Główka (marek.glowka@icso.lukasiewicz.gov.pl), Przemysław Boberski (przemyslaw.boberski@icso.lukasiewicz.gov.pl), Marek Lukosek (marek.lukosek@icso.lukasiewicz.gov.pl), Łukasiewicz Research Network – Institute of Heavy Organic Synthesis “Blachownia“, ul. Energetyków 9, 47-225 Kędzierzyn-Koźle, Poland

Aim of the project

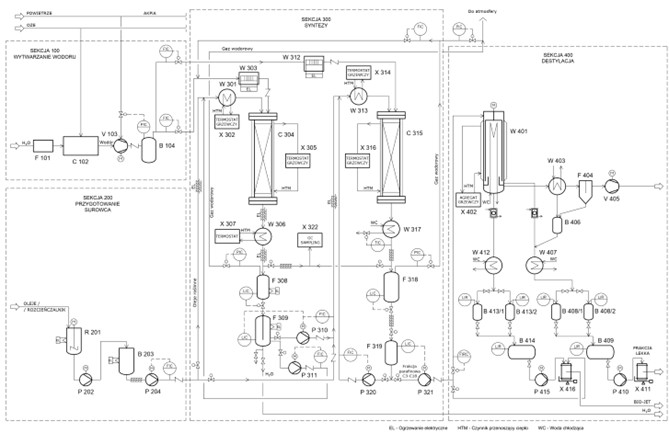
The goal of the “Bio-JET” project is to develop technology for producing Sustainable Aviation Fuels from vegetable oils and waste materials, both first and second-generation bio-components in accordance with the definition of Directive (EU) RED II 2018/2001. The innovation in this proposal lies in both the bio-additive for aviation fuels and its method of production. The new method of obtaining the bio-additive is based on a two-step hydrogenation technology, allowing for the transformation of virtually any natural triglycerides or fatty acids into a fraction containing 100% non-aromatic hydrocarbons. The process of obtaining additives for aviation fuels consists of two stages. The first involves preparing the raw material through preliminary filtration, distillation, hydrodesulfurization, or hydrotreatment. In the second stage, the obtained product will undergo hydroisomerization to improve the physicochemical parameters of the fuel, including the freezing temperature, crucial for JET-A1 fuels. This is a key stage of the process, as the resulting component must meet specified aviation fuel standards.

Short description of the problem, which this project addresses

The aviation industry faces the challenge of reducing its carbon footprint and dependence on fossil fuels. Traditional aviation fuels, such as JET-A1, are derived from petroleum, contributing to greenhouse gas emissions and environmental degradation. Additionally, fluctuating oil prices and geopolitical instability affect fuel costs and supply reliability. The Bio-JET project aims to address these issues by developing bio-additives for aviation fuels sourced from renewable feedstocks according to RED III, offering a sustainable and environmentally friendly alternative to conventional petroleum-derived fuels.

Main results and achievements

This study introduces a novel technology to produce bio-jet fuel from rapeseed oil, addressing the European Union’s emission reduction goals for the aviation sector. Traditional aviation fuels derived from crude oil have adverse environmental impacts, prompting the exploration of biomass-based alternatives. Utilizing a two-stage process with a Pt/SAPO-11 + Al2O3 catalyst developed by Łukasiewicz – ICSO “Blachownia”, rapeseed oil underwent hydrodeoxygenation and hydroisomerization to yield a bio-jet fuel component rich in branched hydrocarbons. The resulting fraction met ASTM D-7566 standards, demonstrating satisfactory performance in testing. Additionally, blending the synthesized biocomponent with conventional fuel (BIO50) improved low-temperature properties and lubricity while reducing aromatic compounds and carbon deposits during combustion. Combustion tests showed similar engine performance between the BIO50 blend and conventional fuel, with BIO50 boasting a higher calorific value and lower consumption rate. Furthermore, emissions of gaseous exhaust components remained comparable, indicating potential for reduced carbon dioxide emissions and improved air quality with widespread adoption of the synthetic component. Future research aims to explore alternative raw materials for sustainable aviation fuel production.

Conclusions

The Bio-JET project represents a promising step towards reducing the aviation industry’s carbon footprint and dependence on fossil fuels. By producing bio-additives for aviation fuels from renewable feedstocks, the project offers a sustainable and environmentally friendly alternative to conventional petroleum-derived fuels. Łukasiewicz – ICSO “Blachownia” has developed a new process and a unique catalyst, which have been proven in hydroconversion of vegetable oils into a ASTM D7566 compliant sustainable aviation fuel component. The successful development of highly efficient catalysts and the production of superior-quality bio-additives demonstrate the project’s potential to revolutionize the aviation fuel industry and contribute to a greener future.

Acknowledgment

Publication co-financed by the National Centre for Research and Development under the Lider XII program, contract number LIDER/33/0171/L-12/20/NCBR/2021.

This work is supported by the “Implementation doctorate” program financed by Polish Ministry of Education and Science, edition 5, grant No. DWD/5/0287/2021“.

Error: Contact form not found.

This will close in 0 seconds

This will close in 0 seconds